本发明涉及一种校正光谱的方法, 首先将已知原油样本分别在两台光谱仪上采集光谱并计算该同一组已知原油样本在不同光谱仪上采集的光谱差谱,然后,对于在其中一光谱仪上采集的未知样品光谱,在相同的波段区间内使用拟合算法得到该光谱仪上采集的已知原油样本的光谱与待转移光谱的拟合系数向量,计算拟合系数向量与光谱差谱矩阵的乘积得到拟合差谱波段,由拟合差谱波段组成拟合差谱,计算未知样品光谱与拟合差谱的差值,即可得到在另一光谱仪采集该未知原油样品的校正光谱。该方法具有使用简便、测试准确的优势。

本公开涉及一种流化床反应器生产二甲基萘的方法,该方法包括:S1、将富含萘系物的烃油与甲基化剂混合后引入湍动流化床反应器与催化剂接触并在流化介质存在的条件下进行甲基化反应,所得油剂经油剂分离得到待生催化剂和甲基化油;S2、将甲基化油进行产品分离得到反应气体、含萘芳烃油和含有非芳烃和/或含有萘、甲基萘馏分的循环油;S3、将含萘芳烃油脱硫、脱氮后经过抽提单元进行芳烃抽提得到芳烃混合物;将芳烃混合物进行芳烃分离得到BTX单环芳烃、二甲基萘和抽余油;S4、将待生催化剂引入再生器再生,得到再生催化剂,并将再生催化剂返回湍动流化床反应器。本公开的方法可以实现低成本且稳定连续生产。

拟宣传。当前炼厂原油重质劣质化加剧,加氢工艺普及推高氢气需求,来自炼厂内部的氢气供应将难以满足未来的氢气增长需求,同时炼厂向化工型转型,低品质催化裂化柴油(LCO)出路难寻。开发LCO制氢技术,既能化解氢气供需矛盾,又能盘活低价值油品,兼具经济与社会效益,CO₂排放问题可通过捕集技术解决,必要性凸显。其应用前景广阔,能适配炼化、交通等多领域氢能需求,技术推广上契合“双碳”政策导向,随着工艺与催化剂集成技术优化,成本将持续降低,易在炼化产业集群规模化落地,应用前景好。

本公开涉及一种处理催化裂解汽油并增产轻质芳烃的方法,该方法通过使重油原料经过催化裂化反应进行处理,能够将重油裂化产物中的重芳烃高效转化为轻芳烃,一方面,能够避免因采用加氢处理生产轻芳烃造成的氢耗高、操作条件较苛刻以及芳烃损失的问题;另一方面能够解决低价值重芳烃难利用的问题,实现资源的高效利用。并且,使汽油重馏分在第二反应器回炼,其中,第二反应器为密相流化床反应器,能够使汽油重馏分充分反应,进而能够进一步提升轻芳烃的收率。另外,采用本公开的方法还能够副产低碳烯烃,进一步提高原料的利用率。

一种丙烷脱氢制丙烯催化剂,包括氧化铝载体和以载体为基准计算的含量如下的活性组分:Ⅷ族金属0.1~1.5质量%,ⅣA族金属0.1~1.5质量%,IA族金属0.5~3.0质量%,镧和/或钐0.1~0.4质量%,卤素0.3~3.0质量%。该催化剂用于丙烷脱氢制丙烯,具有较高的活性和选择性,并且积炭速率低。
本发明涉及一种完全替代白土的绿色脱烯烃方法,该方法包括在液相连续加氢处理条件下,先将重整生成油与氢气通过高效混合器,使氢气与重整生成油强化快速混合,得到饱和溶氢的重整生成油,将饱和溶氢的重整生成油送入第一加氢反应器,首先与含镍催化剂进行接触,反应产物再进入第二加氢反应器,与含贵金属催化剂接触。重整生成油经过脱烯烃处理后,得到的产品主要包含苯、甲苯、二甲苯等芳烃,其溴指数小于20mgBr/100g油,芳烃损失小于0.1wt%。

本发明涉及二甲苯异构化技术领域,公开了一种二甲苯异构化方法。该方法包括:在二甲苯异构化催化剂存在下,将碳八芳烃原料与氢气进行异构化反应;所述二甲苯异构化催化剂包括复合载体和负载于所述复合载体上的金属铂,以所述复合载体的干基总质量为基准,所述金属铂的含量为0.02‑0.5质量%;所述复合载体包括氧化铝和含有金属阳离子的氢型含硼ZSM‑5分子筛,所述金属阳离子为原子序数≮19的碱金属阳离子和/或原子序数≮19的碱土金属阳离子。采用本发明提供的方法,能够在保持较高的二甲苯异构化活性的同时,有效降低歧化副反应的发生,从而实现二甲苯收率的进一步提高。
一种从宽馏分汽油中回收芳烃的方法,主要用于馏程干点在180℃以内,苯或甲苯等轻芳烃含量低的宽馏分汽油。本发明特点是将精馏单元得到的苯或甲苯部分返回抽提蒸馏塔下段,以调节抽提蒸馏塔底在合适的温度下操作,避免溶剂遭受高温发生分解,同时置换少量难以分离的非芳烃提高混合芳烃纯度。本发明根据C9+芳烃含量可灵活调整主溶剂与助溶剂配比,增加对C9+芳烃的溶解,提高C9+芳烃的收率,实现同时生产BTX及C9+芳烃。

本申请涉及一种非负载型双金属加氢催化剂、其组合物及应用,该催化剂由金属中心原子或中心离子与有机配体通过配位键键合形成的配合物组成,所述催化剂具有通式(I)所示的示意性组成:M1M2Oa[R(COO)x]b (I),其中M1、M2代表金属,R(COO)x代表有机配体,R代表有机配体中的烃基,COO代表有机配体中的配位基团,x代表有机配体中配位基团的个数,a代表与金属相连的非配位键合的氧原子与金属总量的摩尔比,b代表有机配体与金属总量的摩尔比。该催化剂及其组合物用于含烃原料的加氢反应时,具有较高的油相分散性、加氢活性和目标产物选择性。

本公开涉及一种废塑料降粘热解裂化的加工方法及加工系统。该方法包括以下步骤:S1、使待处理废塑料进入废塑料液化单元进行液化处理,得到液化废塑料;S2、使液化废塑料进入废塑料减粘单元进行减粘裂化处理,得到减粘裂化的液化废塑料油;S3、使减粘裂化的液化废塑料油进入物料加热单元进行加热处理,得到高温液化废塑料;S4、使高温液化废塑料进入热解反应单元进行热解反应,得到热解产物和焦炭;S5、使热解产物进入分离单元进行分离处理,得到干气、液化气、汽油馏分、柴油馏分和蜡油馏分。可以有效实现废塑料资源化利用,并且减少焦炭生成。

本发明涉及燃料清净剂技术领域,公开了一种芳香族酰胺化合物及其制备方法和应用。该化合物具有式(I)所示的结构,R0为H、卤素、C1‑C6烷基、‑O‑(C1‑C6烷基)或‑COOH;R1为H、C1‑C6的烷基、C1‑C6的烷氧基、C4‑C7环烷基、杂环烷基、芳基、烷芳基或杂环芳基;R2为‑O‑(C1‑C6亚烷基)‑、‑O‑、‑((CH2)kNH)j‑、取代或未取代的亚烃基、亚磺酰基、亚芳基、亚杂芳基或R3和R4各自独立地为H、卤素、‑NH(C1‑C6烷基)、C1‑C4烷基、C1‑C4烷氧基、取代或未取代的芳氧基、芳基、杂芳基。该芳香族酰胺化合物的清净性优异。

本发明涉及催化裂解催化剂制备领域,公开了一种催化裂解催化剂及其制备方法和应用。一种催化裂解催化剂,所述催化剂包括分子筛、粘结剂和粘土;以催化剂的总质量为基准,分子筛的质量含量为60‑85%,粘土的质量含量为5‑20%,粘结剂的质量含量为10‑35%;所得催化剂的直管磨损指数不大于3%/h,热磨损指数不大于7%/(5h)。本发明所述催化剂同时具有高机械强度与高分子筛比例的优势。

具有中大孔结构的催化裂化催化剂及其制法,以干基重计,含15~60重量%分子筛、以氧化铝计5~40重量%大晶粒拟薄水铝石第一粘结剂、0~15重量%第二粘结剂和20~80重量%粘土,该大晶粒拟薄水铝石晶粒尺寸为6~10nm,所述催化裂化催化剂的总孔体积为0.4~0.5mL/g;所述制法包括:用碳化法制大晶粒拟薄水铝石第一粘结剂,加入盐酸得胶溶大晶粒拟薄水铝石,然后添加粘土、分子筛和第二粘结剂,喷雾干燥成型、焙烧、洗涤、烘干;该大晶粒拟薄水铝石如此制备:偏铝酸钠溶液与二氧化碳中和成胶,成胶后浆液分段升温老化,老化后浆液过滤、连续洗涤、干燥。本催化剂在保留中大孔结构的同时具备良好的磨损性能,应用于催化裂化过程,能显著提高重油转化率、降低生焦、优化产品分布。

本公开涉及一种催化裂解催化剂及其制备方法和催化裂解方法,该催化裂解方法包括:将原料油与催化裂解催化剂接触进行反应,其中,所述原料油为全馏分油或中间基重油,所述催化裂解催化剂含有改性中空ZSM-5多级孔分子筛、纳米分子筛、Y型分子筛和载体。本公开的催化裂解方法具有更高的低碳烯烃的产率。

本发明涉及一种重质馏分油低氢耗生产柴油及尾油的加氢裂化方法,该方法包括在加氢条件下,将重质馏分油和氢气与加氢催化剂在固定床加氢反应器中接触;所述重质馏分油为干点不低于650℃,金属含量低于20ppm的馏分;所述加氢催化剂包括载体和负载在所述载体上的活性金属组分;以所述加氢催化剂的总质量为基准,所述载体的含量为50‑88重量%;所述载体含有非无定形介孔酸性材料和Y型分子筛;所述载体中所述Y型分子筛的含量为5‑45重量%;所述活性金属组分为第VIII族金属元素和第VIB族金属元素。该催化剂适用于重质馏分油低氢耗生产柴油及尾油,应用本发明的催化剂生产的柴油和尾油中芳烃含量更高。
本发明涉及一种催化剂及其制备方法和制备1,3‑丙二醇的方法,该催化剂包括载体、负载在所述载体上的第一活性组分以及第二活性组分;所述载体为微介多级孔分子筛,所述第一活性组分为氧化钨,所述第二活性组分为纳米合金;所述纳米合金PtSn纳米合金和/或PtLa纳米合金。本发明还涉及上述催化剂的制备方法,该制备方法包括:S1、使用含有纳米合金的溶液浸渍负载氧化钨的微介多级孔分子筛,然后进行第一固液分离,得到第一固体物料;S2、对所述第一固体物料进行第一干燥和第一煅烧。本发明还涉及一种制备1,3‑丙二醇的方法,该方法包括:将甘油与如上所述的催化剂在加氢条件下接触。本发明制备的催化剂具有1 ,3‑丙二醇选择性高及甘油转化活性高的特点。

本发明公开了一种火箭喷气燃料的生产方法,通过加工处理得到火箭煤油产品,为催化柴油等劣质柴油原料的高价值利用提供了一种新的工艺技术,同时本发明采用两个反应器匹配进行加氢与裂化反应过程的契合,可以灵活调控加工深度及产品性质,制备得到了得到低冰点(冰点可低于-70℃)且其密度在0.830-0.836 g/cm3的范围内的火箭喷气燃料。

本发明涉及渣油加氢领域,公开了一种渣油加氢处理的方法及渣油加氢系统,本发明提供的渣油加氢处理的方法包括,在加氢条件下,将渣油原料引入至依次连接的第一加氢处理单元、第二加氢处理单元和第三加氢处理单元中进行加氢处理反应,得到加氢处理产物。第一加氢处理单元中的反应器能够切出/切入渣油加氢系统,解决了反应器中加氢处理催化剂的金属沉积饱和问题;第二加氢处理单元的反应器设有分流结构,能够动态调节进入反应器的物料比例,解决了反应器压降上升的问题。本发明还克服了现有渣油加氢处理方法和系统存在的运行周期短等缺陷,具有反应器利用率高,操作简单和运行周期长的优点。

本发明涉及重劣质蜡油加工技术领域,公开了一种两段式加氢裂化方法。该方法包括:将重劣质蜡油引入至装填有加氢精制催化剂I的加氢精制反应区I中进行第一反应,得到反应流出物I;将反应流出物I引入至装填有加氢精制催化剂II的加氢精制反应区II中进行第二反应,得到反应流出物II;将反应流出物II引入至装填有加氢裂化催化剂的加氢裂化反应区中进行第三反应,得到反应流出物III;将反应流出物III进行分离,得到轻石脑油馏分、重石脑油馏分、中间馏分油和尾油馏分。采用本发明提供的方法,能够将重劣质蜡油原料转化为优质化工原料和清洁燃料。

本发明涉及一种连续制备挂式四氢双环戊二烯的方法。包括:首先将桥式四氢双环戊二烯与反应溶剂混合均匀后经过预处理脱杂质,随后再从固定床反应器上端流入,下端流出;在固定床反应器中,上端装入加氢催化剂,中间用惰性材料隔开,下端装入异构化催化剂,通过上端的加氢催化剂对下端的异构化催化剂的保护,可使桥式四氢双环戊二烯转化为挂式四氢双环戊二烯,转化率大于86%,目标产物选择性大于94%。该方法清洁绿色且能够实现2000h以上的连续化运转,具有工业应用前景。
一种分子筛,其特征在于,该分子筛的B值与T值之比为1.5~6,其中,B值表示分子筛表面Al2O3质量分数,T值表示分子筛体相Al2O3质量分数,介孔孔体积占总孔体积的15%~35%,总酸量高于2500μmol/g。该分子筛可以用于C8~C26线性烯烃的烷基化制备线性烷基苯的反应方法中,单烷基苯选择性99%以上,烷基苯的线性度达到92%以上,100%转化时2‑LAB比例达到25%以上。

本发明涉及催化材料合成领域,公开了一种SAPO-34分子筛及其制备方法和应用。该方法包括以下步骤:提供含有铝源、水、磷源、硅源、模板剂和变性淀粉的原料混合物,相对于每100g的以Al2O3计的铝源,所述变性淀粉的用量为2-10g;在晶化条件下,将所述原料混合物进行晶化;将晶化的产物进行固液分离,取固相依次进行干燥和焙烧。采用本发明的方法制得的SAPO-34分子筛中强/强酸的强度(脱附温度)较低,中强酸/强酸量较低。

本发明涉及一种加氢制备1,4‑环己烷二甲醇的方法,其特征在于在酯加氢反应条件下,使1,4‑环己烷二甲酸二甲酯与氢气在一种催化剂存在下接触,所述的催化剂为铜镁铝复合氧化物,或者为负载镧和/或铈的铜镁铝复合氧化物。本发明的方法可提高1,‑4环己烷二甲酸二甲酯加氢的转化率和选择性。
本发明公开了一种邻二醇的制备方法,其特征在于,将烯烃、过氧化氢、酸和溶剂在钛硅分子筛催化剂存在下进行接触反应,得到含有邻二醇的液体产物并分离得到邻二醇,其中,所述的钛硅分子筛为含卤素的钛硅分子筛。本发明的邻二醇制备方法具有反应条件温和,操作过程简单,原料转化率高,邻二醇选择性高,双氧水有效利用率高等特点。
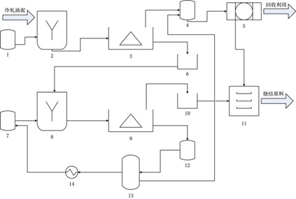
本公开涉及一种处理冷轧油泥的方法及系统,首先采用均质剂对待处理的冷轧油泥原料进行均质处理,能够对冷轧油泥进行初步减量处理,提高后续分离效率;本公开对于均质后混合物料通过固液分离即可得到第一回收油以及湿渣物料,对于湿渣物料进行萃取油相后进行固液分离得到含油萃取剂和第二铁渣其中含油萃取剂通过蒸馏分离后得到的循环萃取剂物料和第二回收油,本公开实现了对冷轧油泥中所含铁粉和油相的资源化利用,其中分离出的油相可以进一步净化处理;并且萃取剂能够循环利用,且萃取过程中无额外废水产生,有利于环境保护和节约资源。

本公开涉及一种光催化反应器及废水处理装置,该光催化反应器,用于废水处理,包括:壳体,所述壳体上设有进水口、出水口和催化剂入口,所述进水口设于所述出水口下方,所述催化剂入口用于引入非均相催化剂,所述壳体内设有紫外线光源和溢流网板,所述溢流网板用于限制所述非均相催化剂流出。该光催化反应器光催化降解效率高且能够避免非均相催化剂流失,以至少部分解决相关技术中的问题。

本发明涉及废塑料预处理技术领域,具体涉及一种输送设备及其应用、一种含PVC废塑料预处理的装置及其方法。本发明提供的输送设备,通过设置喷淋设备和推进螺旋,使得物料被分离流体浸润后更易于输送;将本发明提供的输送设备用于含PVC废塑料预处理,能够解决了由于废塑料堆比小、颗粒间相互作用力强等原因而导致的废塑料输送难的问题,能够有效脱除废塑料中PVC,使得脱氯废塑料中氯含量低于2000ppm。

本发明涉及油品深加工技术领域,公开了一种含氯油品反应脱氯的方法。该方法包括:(1)将含氯油品与吸附剂进行反应,使得含氯油品中至少部分有机氯转化为无机氯,得到物料W;(2)将物料W与脱氯剂进行接触,得到脱氯油。该方法可实现较高的脱氯率,同时具有成本低的优势。

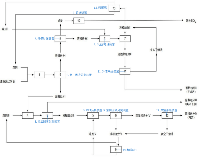
本发明涉及废旧光伏背板回收技术领域,具体涉及一种废旧光伏背板的回收方法及系统。(1)将废旧光伏背板与溶剂I接触,进行第一溶解,得到液相组分I和固相组分I;(2)将液相组分I进行精细过滤,得到液相组分I'和滤渣;(3)将液相组分I'与溶剂II接触,进行第一反析,得到液相组分II和固相组分II;(4)将固相组分I与溶剂III接触,进行第二溶解,得到液相组分III和固相组分III;(5)将液相组分III与溶剂IV接触,进行第二反析,得到液相组分IV和固相组分IV。本发明中提供的废旧光伏背板的回收方法,不仅可以显著提高PVDF和PET的分离效率和回收率,还可以回收二氧化钛,避免二氧化钛的浪费。

本公开涉及一种固体废塑料液化的方法及系统,包括以下步骤:S1、使固体废塑料进入脱氧装置中进行脱氧处理,得到脱氧塑料;S2、使脱氧塑料进入软化装置中进行软化处理和脱氯处理,得到含氯气体和软化脱氯塑料;S3、使软化脱氯塑料进入液化装置中进行液化处理,得到热解气体和液态塑料;S4、使步骤S2中含氯气体和步骤S3中热解气体进入碱洗装置进行碱洗处理;使至少部分步骤S3中液态塑料作为循环物料进行加热处理后返回液化装置继续处理。可以连续为废塑料热解提供液体进料。

本实用新型提出一种辊筒研磨机,其包括研磨机本体,研磨机本体包括机架及至少两个研磨辊筒,至少两个研磨辊筒设置于机架并沿第一水平方向排列,研磨辊筒的轴向为垂直于第一水平方向的第二水平方向;其中,辊筒研磨机还包括刮料装置,刮料装置包括至少两个刮板组件以及驱动机构;至少两个刮板组件沿第一水平方向排列并分别对应至少两个研磨辊筒布置,各刮板组件固定连接,刮板组件包括弧形刮料板,弧形刮料板与研磨辊筒的部分外周的形状相匹配,用于铲除研磨辊筒表面粘附的物料;驱动机构设置于机架并具有驱动件,驱动件一端连接于刮板组件,驱动机构用于驱动各刮板组件朝第二水平方向上的两侧同步运动。

本发明涉及一种生产全化工品的原油加工方法,该方法将加氢裂化汽油和第二裂解汽油以及第三裂解汽油进行裂解汽油加氢处理和裂解汽油抽提处理,得到C6-C8芳烃;将第一裂解干气、第二裂解干气和第三裂解干气进行乙烷裂解处理,得到乙烯;将第一裂解液化气、所述第二裂解液化气和第三裂解液化气进行气分,得到第一股丙烯、丙烷和C4混合烃;将丙烷进行丙烷脱氢,得到第二股丙烯。本发明实现了原油的各馏分段的催化裂解处理,提高了资源利用效率,有利于实现最大化生产低碳烯烃及C6-C8芳烃产品,提高低碳烯烃及C6-C8芳烃产品的收率。

本发明提供了一种碳包覆过渡金属的纳米复合材料及其应用,所述纳米复合材料含具有壳层和内核的核壳结构,所述壳层为掺杂氮和氧的石墨化碳层,所述内核为过渡金属纳米颗粒;其中所述纳米复合材料为具有至少一个介孔分布峰的介孔材料。本发明的纳米复合材料具有丰富的介孔结构,是一种性能优良的催化材料。该复合材料可作为催化氧化催化剂,用于处理工业废气中的挥发性有机化合物,具有良好的工业应用前景。

本发明涉及储氢的领域,公开了一种固体储氢和增压系统以及氢气增压的方法。系统包括n级串联的压力储氢单元,在先一级压力储氢单元放氢平衡压力大于在后一级压力储氢单元吸氢平衡压力,用于实现氢气的传输和增压;压力储氢单元包括储氢合金反应器,储氢合金反应器包括竖直设置的内罐体以及套设在内罐体外部的外罐体;沿内罐体竖直方向,内罐体内部水平设置有多个内罐体隔板;沿外罐体竖直方向,外罐体内部水平设置有多个外罐体隔板;内罐体隔板上开设有开孔,开孔用于氢气的流通;外罐体隔板呈缺角圆环状,外罐体隔板用于外罐体内部的导热流体的流通,外罐体内部的导热流体通过缺角圆环的缺角流通。该系统调节氢气压力的同时提高氢气传输速率。
本发明涉及储氢的技术领域,公开了一种储氢合金反应器、储氢和放氢的方法。一种储氢合金反应器,反应器包括竖直设置的内罐体以及套设在内罐体外部的外罐体;沿内罐体竖直方向,所述内罐体内部水平设置有多个内罐体隔板;沿外罐体竖直方向,所述外罐体内部水平设置有多个外罐体隔板;所述内罐体隔板上开设有开孔,所述开孔用于氢气的流通;所述外罐体隔板呈缺角圆环状,所述外罐体隔板用于导热流体的流通,所述导热流体通过缺角圆环的缺角流通。该储氢合金反应器能够提高传热效率,并且能够更好的控制吸放氢速率。
本发明涉及储氢的技术领域,公开了一种金属氢化物储氢系统及吸氢和放氢的方法。一种金属氢化物储氢系统,其中,所述储氢系统包括n个串联的储氢单元,所述n为3-20,n为正整数;相邻储氢单元之间通过可拆卸连接单元连接,所述可拆卸连接单元上设有一个开孔,所述开孔用于氢气的流通;储氢单元包括罐体,所述罐体内装填有储氢床层,所述储氢床层用于吸氢/放氢和导热。该储氢系统能够灵活控制储氢体积,储氢材料装填更为简单,并且能够提高传热效率以及更好的控制吸放氢速率。
本发明提出一种高温裂解-在线色谱分析裂解轻质产物详细组成的方法,采用串联高温裂解仪和色谱分析系统建成一套完整的油品高温裂解-色谱在线分析裂解轻质产物的方法。串联高温裂解仪可预热或热裂解原料油,也可以装填催化剂进行高温催化反应。色谱分析系统包括4根毛细管色谱柱,三个检测器(含两个氢火焰离子化检测器(FID)和一个热导检测器(TCD)),一套反吹系统,一套中心切割系统。可以在线检测裂解产物中的氢气、C1-C4轻烃详细组成以及汽油详细单体烃组成信息。

一种催化制氢并富集二氧化碳的方法,将烃类原料与水蒸气混合后,引入流态化反应器中与再生催化剂接触并进行催化分解反应,得到反应物流和失活催化剂;将反应油气和失活催化剂进行气固分离;将反应油气进一步分离为包含氢气、CO、CO2、甲烷和其他烃类产物;将失活催化剂送再生器与水蒸气、含氧气体接触进行高温气化、再生,失活催化剂经烧焦再生后,返回流态化反应器中循环使用,再生烟气经分离得到包含氢气、CO和CO2。本发明将低价值烃类原料转化为氢气,实现了石油资源的高值化利用,同时实现了CO2富集,有利于碳回收和捕集。


本发明提供一种生产低碳烯烃和汽油的方法和系统,该方法包括:重质原料和轻质原料引入催化裂解单元与催化裂解催化剂接触反应,得到催化裂解反应油气;催化裂解反应油气引入产物分离单元进行分离,所得产物至少包括碳四馏分、轻汽油和中汽油;碳四馏分和轻汽油引入叠合单元与叠合催化剂接触反应,得到叠合轻馏分油和叠合重馏分油;及叠合轻馏分油引入脱氢单元与脱氢催化剂接触反应,得到脱氢反应油气;其中脱氢反应油气引入所述叠合单元继续反应,中汽油作为汽油产物和/或作为轻质原料引入催化裂解单元继续反应;叠合重馏分油作为汽油产物和/或作为轻质原料引入催化裂解单元继续反应。本公开可实现更高的烃类转化能力和低碳烯烃产率,且大幅降低能耗。

催化裂化轻质产品脱硫方法及装置和生产低硫轻质油品的方法,催化裂化轻质产品脱硫方法包括来自催化裂化分馏塔的粗汽油和富气分别引入第一脱硫反应器和第二脱硫反应器,在临氢条件下分别与第一股脱硫吸附剂和第二股脱硫吸附剂接触脱硫并向上流动;反应后气固分离得到的待生脱硫吸附剂、脱硫后的粗汽油和脱硫后的富气;脱硫后的富气和粗汽油分别送至吸收稳定系统进行分离,得到脱硫后的干气、液化气和稳定汽油。本发明提供的方法操作灵活,适用于处理催化裂化分馏塔得到的富气和粗汽油,得到的低硫汽油收率高、辛烷值损失少。

一种废塑料油生产低碳烯烃和芳烃的方法和系统,将废塑料油经吸附脱附分离得到吸余油和脱附油,其中吸余油进入主提升管反应器中第一催化裂解催化剂接触,并进行第一催化裂解反应;将主提升管反应器反应所得油剂送入流化床反应器中继续进行第二催化裂解反应;将脱附油引入副提升管反应器中与第二催化裂解催化剂接触并进行第三催化裂解反应,分离反应产物得到包含低碳烯烃和芳烃的产物。本发明加工废塑料油,具有高低碳烯烃和高芳烃产率。

一种催化重整催化剂的制备方法,催化剂的制备方法包括如下步骤:将耐高温无机氧化物载体置于有机溶剂中浸渍,得到混合物;配制含有含铂化合物和ⅣA族金属水溶液作为浸渍液,将浸渍液加入混合物中,向载体中浸渍引入金属活性组分,将浸渍后所得固体干燥后进行水‑氯活化和还原。本发明的方法可以使得催化剂的活性组分分布均匀,并避免催化剂制备中有机酸、无机酸的使用,减少废酸和废水的产生。本发明方法制备得到的催化剂用于石脑油催化重整反应,具有良好的活性稳定性和较高的选择性,且催化剂的积炭速率低。
本发明涉及石油化工领域,具体涉及一种逆流移动床低碳烷烃脱氢的方法和系统,该方法包括:将低碳烷烃从脱氢反应区的入口引入以与脱氢催化剂进行逆流接触;所述脱氢反应区中含有至少2个依次串联连接的反应器,使得气相物流能够依次通过各个所述反应器;由最上游的反应器中获得待生催化剂;将所述待生催化剂依次进行再生和还原,以得到再生催化剂;将所述再生催化剂循环回最下游的反应器中;以及向各个反应器中引入结焦抑制剂,所述结焦抑制剂为含硫化合物。本发明提供的方法能够充分钝化反应器的内壁、内构件和加热炉管内壁,抑制金属催化结焦倾向,保证装置平稳运行。

本发明涉及一种烷基芳烃非临氢异构化催化剂及其制备方法与应用。本发明采用分子尺寸大于分子筛孔道尺寸的季铵盐对催化剂所用的Na型分子筛进行离子交换,制备的催化剂可用于烷基芳烃液相非临氢异构化反应,该催化剂具有异构化活性高、对位烷基芳烃选择性高、节省能耗的优点。
本公开涉及一种热解回收废塑料的方法及系统,该方法包括使含氯废塑料进入废塑料初步熔化液化脱氯单元进行热熔脱氯处理,得到含氯化氢的气相物料和脱氯废塑料液相物料;使所述脱氯废塑料液相物料和高温的热解原料分别进入物料混合单元混合,得到混合热解原料;使所述混合热解原料进入热解反应单元进行热解,得到热解气态产物和焦炭;使所述热解气态产物进入分离单元进行分离,得到干气和液化气、汽油馏分、柴油馏分和蜡油馏分。实现废塑料资源化利用,还能够避免液化废塑料油升温过程的出现炉管结焦现象。

本发明提出了一种有机磷化合物及其制备方法、用途。本发明的有机磷化合物,其结构如通式(I)所示:各基团的定义见说明书。本发明的有机磷化合物具有突出的承载能力以及优良的抗磨、减磨性能,可以用作极压抗磨剂并应用于润滑油、润滑脂中。

本发明提供了一种酯类化合物及其制备方法、用途和包含该酯类化合物的润滑油组合物。本发明的酯类化合物,其结构如式(I)所示:其中各基团和符号的定义见说明书。本发明的酯类化合物具有非常优异的润滑性、抗氧化性、抗磨性、清净性能,能够用作润滑油基础油或添加剂,适宜用作石油产品的清净剂、抗磨剂、减摩剂,特别适宜用于船用发动机油。

本发明涉及高分子领域,公开了一种制备单聚异丁烯丁二酰亚胺的方法。该方法包括在惰性气氛保护下,进行如下两步反应:(1)将聚异丁烯和马来酸酐进行烃化反应,得到聚异丁烯基丁二酸酐;(2)将聚异丁烯基丁二酸酐加入多烯多胺和稀释剂的混合物中进行胺化反应。该方法能耗较低,并且能够制备得到具有更佳清净性能及低温流动性的单聚异丁烯丁二酰亚胺无灰分散剂。
本发明涉及润滑油添加剂技术领域,公开了一种具有分散性能的制品及其制备方法和应用。本发明提供的方法包括:(1)使式(I)所示的化合物与多烯多胺以(0.1‑4):1的摩尔比接触进行开环反应;其中,R0为H、卤素、C1‑C6亚烷基、‑O‑(C1‑C2亚烷基)或‑COOH,A为H、C1‑C3亚烷基、亚烯基或芳基;(2)在稀释油的存在下,将步骤(1)得到的开环反应产物与聚烯烃基丁二酸酐接触进行酰亚胺化反应。本发明提供的方法制备的具有分散性能的制品(也即无灰分散剂)具有良好的烟炱或油泥分散性能,尤其是可以用于高档柴油机油中提高产品烟炱分散性。

本发明属于3D打印材料制造领域,涉及一种高岭土基3D打印粉体及其制备的整体式活性多孔材料,所述所述高岭土基3D打印粉体包括以下重量份的原料:高岭土生土粉状材料20~60份和高土粉状材料40~80份。该粉体材料可以用于制备用于3D打印的陶瓷墨水,进而用于3D打印,得到高岭土基的无机物3D打印成型体。所获得的成型体具有组分功能性强,孔结构丰富、化学反应活性高的优点。

地址:中国北京市海淀区学院路18号
邮政编码:100083
电话: 86-10-62327551
技术支持:石化盈科信息技术有限责任公司